Giới thiệu các bộ biến đổi dùng trong hệ thống HVDC
Hệ thống HVDC đầu tiên được thực hiện bằng cách sử dụng bộ LCC điều khiển bằng thyristor. Tuy nhiên, nó có một số hạn chế: sử dụng khóa bán dẫn không thể tự đóng ngắt, điện áp bên ngoài phải cung cấp công suất phản kháng để tạo ra chuyển mạch bán dẫn, nó chỉ hoạt động với hệ số công suất trễ và không thể được sử dụng trong các hệ thống cô lập.
Sau đó, Bộ chuyển đổi nguồn điện áp (VSC), với các khóa bán dẫn transistor (IGBT,GTO..,) được sử dụng đã cải thiện được những hạn chế trên. Thêm vào đó, VSC có thể điều khiển đóng và cắt (LCC chỉ điều khiển đóng), điều khiển bằng điện áp và điều khiển đóng không phụ thuộc vào dòng điện ngoài (LCC điều khiển bằng dòng và cần dòng điện ngoài đủ lớn để điều khiển đóng). Tuy vậy, bộ VSC này có tỉ số biến thiên di/dt trên mỗi nhánh rất lớn dẫn đến áp lực cực cao được đặt lên các khóa bán dẫn. Ngoài ra, với điều chế độ rộng xung (PWM) cho bộ VSC, tổn thất công suất lớn trong khóa bán dẫn và việc sử dụng các bộ lọc thụ động lớn và đắt tiền.
Nhằm cải thiện những vấn đề này, người ta đã đưa bộ biến đổi đa bậc multi-level VSC vào sử dụng, tuy nhiên, nó vẫn còn một số hạn chế chính như: khả năng ứng dụng trong quy mô công nghiệp và cấp điện áp còn thấp.
Bộ biến đổi đa bậc dạng module, Modular multilevel converter (MCC), (Hình 1) được trình bày lần đầu tiên bởi Lesnicar và R. Marquardt, cải thiện đáng kể những vấn đề này:
Cấu trúc của bộ MMC

Hình 1. Cấu hình bộ MMC
(Nguồn: internet)
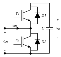
Về cấu tạo, bộ MMC được ghép từ nhiều mô-đun nhỏ gọi là các mô-đun đóng cắt switching module (SM). Cấu hình SM đầu tiên và cũng được sử dụng rộng rãi trong các bộ MMC là kiểu bán cầu half-bridge (HB) như trên hình 2, bao gồm 2 IGBT, 2 diode và một tụ điện. SM BẬT khi T1 BẬT và T2 TẮT (Bảng 1), SM TẮT khi T1 TẮT và T2 BẬT. Khi SM BẬT, điện áp SM giống với điện áp tụ điện, trong khi nó TẮT, điện áp bằng không.

Hình 2a Cấu tạo mỗi mô-đun SM theo kiểu bán cầu (HB) (Nguồn: Internet)

Bảng 1. Trạng thái đóng cắt của mỗi mô-đun SM
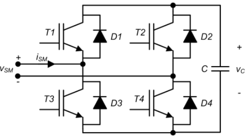
Trong trường hợp ngắn mạch DC, cấu trúc HB tắt tất cả các IGBT và dòng ngắn mạch bằng thương số giữa điện áp AC và trở kháng của các cuộn cảm trên nhánh. Cấu trúc liên kết cầu full-bridge (FB) (Hình 2b) hoạt động giống như cấu trúc HB khi bình thường. Khi xảy ra sự cố, một điện áp ngược dấu được đưa vào mắc nối tiếp để giảm và loại bỏ sự cố ngắn mạch. Tuy nhiên, cái giá phải trả là tổn thất công suất gấp đôi so với HB khi hoạt động bình thường.

Hình 2b Cấu tạo mỗi mô-đun SM theo kiểu cầu (FB) (Nguồn: Internet)
Nguyên lý hoạt động của bộ MMC
Các SM của mỗi pha đã được nhóm thành hai khối với điện áp